сухий склад
фахівця
14 днів
у магазині
оплати
у магазині
Опис Реле контролю напруги ZUBR D63

У вік високих технологій електрифіковано майже все. У кожному будинку налічується десятки електроприладів, не говорячи про масштаби електрифікації у промисловості. А це означає, що постійно зростає навантаження на мережу, що робить її нестабільною. Сучасна електроніка, сертифікована в Україні, не гарантує справність під час роботи під напругою з відхиленням від номіналу 220В більш ніж на 10%. Це скорочує термін служби як побутової техніки, і дорогих промислових пристроїв автоматизації. Інтернет-магазин «Вольтмаркет» пропонує величезний асортимент продукції стабільного електроживлення для захисту споживачів від неякісної електрики. У Києві та Дніпрі відкриті стаціонарні магазини, де можна протестувати та купити реле напруги ZUBR D63 за низькою ціною та на вигідних умовах доставки в будь-яку точку України.

Безпека, доступна кожному
Забезпечити захист від перепадів напруги – це зовсім недорого. Реле напруги ZUBR D63 менш як за тисячу грн. пропонує значний функціонал та відмінні характеристики за що і отримує численні позитивні відгуки від українських споживачів. Функціонально пристрій є відсікачем напруги на мікропроцесорному управлінні. На лицьовій панелі є індикаторний трисегментний дисплей для відображення вхідної напруги. Кнопки керування дозволяють змінювати верхній і нижній поріг спрацьовування, при досягненні якого реле напруги ZUBR D63 відсікає навантаження, після чого знову підключає його після досягнення встановленого за допомогою центральної кнопки часу затримки. Затримка потрібна, щоб під час особливо сильних перепадів не відбувалося багаторазового включення приладів, що згубно позначається на їхньому терміні служби. В інтернет-магазині «Вольтмаркет» Ви можете купити з доставкою до Києва, Дніпра та інших міст України модифіковану модель ZUBR D63t, наділену термодатчиком для захисту від перегріву у разі поганого контакту, що значно підвищує пожежну безпеку.
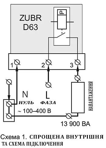
Способи підключення однофазного реле напруги ZUBR D63
Однофазне реле напруги може функціонувати у трифазній мережі. Для цього Вам потрібно підключити один пристрій на кожну фазу. При виникненні перекосу в трифазній мережі відсікач напруги ZUBR D63 відключить тільки ту фазу, номінал якої вийшов за задані межі. Працюючи електрообладнання безпосередньо через електромагнітне реле, максимальний допустимий струм становить 63 ампера, що з назви моделі. Якщо Вам необхідно збільшити навантаження, ZUBR D63 потрібно підключити через магнітний пускач, забезпечуючи безпеку роботи значно потужнішого обладнання. За відгуками, такий підхід регулярно використовується на промислових об'єктах.
Основні особливості та технічні характеристики однофазного реле напруги ZUBR D63
- Широкий діапазон встановлюваних меж напруги спрацьовування від 120 до 280В;
- Миттєве спрацьовування при підвищеній напрузі (0.05 с) та з затримкою не більше 1.2 с при зниженому;
- Реле не потребує додаткового живлення;
- Можливість короткочасної комутації струму до 80 ампер;
- Висока пожежна безпека однофазного реле напруги ZUBR D63 завдяки виготовленню корпусу з негорючого пластику, а клем – з фібергласу;
- Можливість коригування індикації напруги не більше ±20В
Детально ознайомитися з роботою даного пристрою, можна переглянувши цей відеоматеріал:
Цей пристрій має стандартну схему підключення:


Визначитись з вибором потрібної моделі Вам допоможуть наші фахівці, або це можна зробити самостійно, вивчивши технічні параметри необхідної моделі. Тут все просто - вам потрібно вибрати тип реле напруги (220/380 Вольт), його потужність, зручний вам вид монтажу (DIN рейка, розетка, настінний монтаж).
Купити реле напруги можна в магазині Вольтмаркет, зв'язавшись з нами будь-яким зручним для Вас способом. Також, за потреби, ми здійснюємо доставку потрібної моделі реле напруги «ZUBR» до будь-якого регіону України, де є офіси служби доставки.
| Технічні характеристики | ZUBR D63 |
| діапазон напруги (верхній), В | 220-280 |
| діапазон напруги (нижній), В | 120-210 |
| час спрацьовування при підвищеній напрузі, сек. | не більше 0,05 |
| час спрацьовування при зниженій напрузі, сек. | не більше 1,2 |
| струм навантаження (номінальний/максимальний), А | 63/80(10 хв.) |
| номінальна потужність навантаження, що підключається, ВА | 13900 |
| напруга живлення (мін./макс.), В | мін100/макс400 |
| маса, кг | 0,21 |
| габаритні розміри (д/ш/в), мм | 70/85/53 |
| підключення кабелю перетином, до: мм2 | 16 |
| ступінь захисту | IP20 |
| тип монтажу | DIN рейка |
Характеристики
Відгуки
Основні
сухий склад
фахівця
14 днів
у магазині
оплати
у магазині
Відгуки про товар: "Реле контролю напруги ZUBR D63"
странная ситуация. Мы такого не встречали. ЗУБР - надежная техника
Залиште відгук
Немає питань про даний товар, станьте першим і задайте своє питання.
