сухой склад
специалиста
14 дней
в магазине
оплаты
в магазине
Описание Реле контроля напряжения ZUBR D63t

Нужна ли защита для бытовой техники от перепадов напряжения? Определенно, да. Если Вы не сталкиваетесь с регулярными просадками и всплесками, даже в этом случае нет гарантии, что во время непогоды или проведения каких-либо ремонтных работ электропроводка и линии электропередач не будут повреждены, а ведь именно данные факторы очень часто приводят к возникновению сетевых колебаний. И это далеко не все возможные причины возникновения перепадов напряжения, которые представляют опасность как нормальному функционированию электрооборудования, так и его работоспособности в целом. Очень популярные средства защиты от данной проблемы за демократичную цену предлагает отечественный производитель «DS Electronics», выпускающий реле напряжения (отсекатели) Зубр. Для частного дома, коттеджа или офиса отличным вариантом будет мощный отсекатель Zubr D63t, который Вы можете купить по отличной цене с доставкой по всей Украине в итернет-магазине «Вольтмаркет». Если перед покупкой Вы хотите удостовериться в работоспособности реле напряжения Zubr D63t и его соответствии заявленным техническим характеристикам, посетите наши торговые точки в Киеве, Харькове и Днепре, чтобы испытать данный отсекатель на тестовом стенде.
Реле напряжения Зубр — надежная защита за доступную цену
Реле напряжения Zubr D63t осуществляет защиту электрооборудования от сетевых колебаний по принципу отсекателя. В нем установлено мощное электромагнитное реле, которое при нормальном состоянии сети пропускает электроэнергию к нагрузке, а при возникновении отклонений сетевого напряжения — отключает ее. Дабы исключить искрение, отключение отсекателя Zubr D63t происходит при прохождении синусоиды тока через ноль. За функционирование данного реле напряжения Зубр отвечает современный микропроцессор. Чтобы исключить потерю установленных параметров во время отсутствия сетевого электропитания отсекатель Zubr D63t имеет энергонезависимую память.
Отличительной чертой любого реле напряжения ТМ Зубр является широкий функционал. Кроме базовых настроек максимального и минимального напряжения срабатывания, отсекатель Zubr D63t позволяет установить такие параметры, как задержка на отключение при определенных событиях и задержка на повторное включение, которая является обязательной при работе холодильника и прочей компрессорной техники. Внутри компрессора при отключении сохраняется высокое давление и требуется время, чтобы оно стабилизировалось. В некоторых отсекателях Зубр для контроля за состоянием контактов установлен термодатчик. Такие модели отмечены индексом «t». Таким образом, реле напряжения Zubr D63t осуществит отключение потребителя при нагреве контактов реле до 80 градусов. Элементы индикации и управления данного отсекателя аналогичны другим устройствам ТМ Зубр: LED-дисплей и 3 кнопки управления. Чтобы поближе познакомиться с реле напряжения Zubr D63t и получить опыт настройки основных параметров работы, посетите физические магазины «Вольтмаркет», работающие в Киеве, Харькове и Днепре. У нас можно купить различные отсекатели Зубр по привлекательной цене с доставкой по всей Украине.
Особенности отсекателя Zubr D63t
- Перегрузочная способность до 80А при номинальном токе нагрузки 63А;
- Наивысшая степень пожарной безопасности благодаря применению негорючих материалов и термодатчику;
- Множество доступных параметров и широкий диапазон их изменения;
- Хранение программы в энергонезависимой памяти;
- Простой монтаж на DIN-рейку;
- Доступная цена.

| Технические характеристики | ZUBR D63t |
| диапазон напряжения (верхний), В | 220-280 |
| диапазон напряжения (нижний), В | 120-210 |
| время срабатывания при повышенном напряжении, с | не более 0,05 |
| время срабатывания при пониженном напряжении, с | не более 1,2 |
| ток нагрузки (номинальный/максимальный), А | 63/80(10мин) |
| номинальная мощность подключаемой нагрузки, ВА | 13900 |
| напряжение питания (минимально/максимально), В | мин100/ макс400 |
| масса, кг | 0,21 |
| габаритные размеры (д/ш/в), мм | 70/85/53 |
| подключение кабеля сечением, до: мм2 | 16 |
| степень защиты | IP20 |
| тип монтажа | DIN рейка |
| опции: | запоминание аварийного напряжения; True RMS - более точное измерение напряжения; профессиональная модель задержки времени отключения; отключение реле в момент перехода через ноль; защита от внутреннего перегрева. |
Подробно ознакомиться с работой данного устройства, можно просмотрев этот видеоматериал:
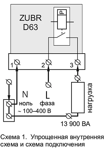
Данное устройство имеет стандартную схему подключения:


Характеристики
Отзывы
Основные
сухой склад
специалиста
14 дней
в магазине
оплаты
в магазине
Отзывы о товаре: "Реле контроля напряжения ZUBR D63t"
Оставьте отзыв
Нет вопросов о данном товаре, станьте первым и задайте свой вопрос.
